迪庆迪庆蔡司迪庆三坐标Duramax设备的尺寸及承载重量,功率,安装环境,日常维护 大解析:
适用机型:
Duramax (C99S)
Duramax (C99L)
DuramaxRT(MCC800)
Duramax (HTG)
Duramax LTE

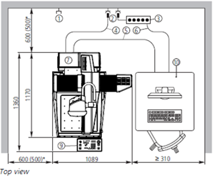
设备尺寸:
设备参数:

最大承重:100kg
电气参数:

精度参数:随工作环境温度不同,精度验收指标与之相对应。

设备安装环境要求:
设备日常维护:
1. 定期清洁设备工作台面,保证清洁;
2. 定期清洁设备表面灰尘。
定期维护保养:
1. 定期使用D60防锈溶剂清洁工作台面,保证工作台面整洁;
2. 使用Rivolta TRS涂抹工作台面保护台面免于生锈;
3. 使用油枪向X,Y,Z导轨注入油脂(AFA);
4. 定期清洁驱动丝杠,并涂抹GF40。


